返回
五度知识库
网站首页
美食营养
游戏数码
手工爱好
生活家居
健康养生
运动户外
职场理财
情感交际
母婴教育
生活知识
生活百科
知识问答
更多知识
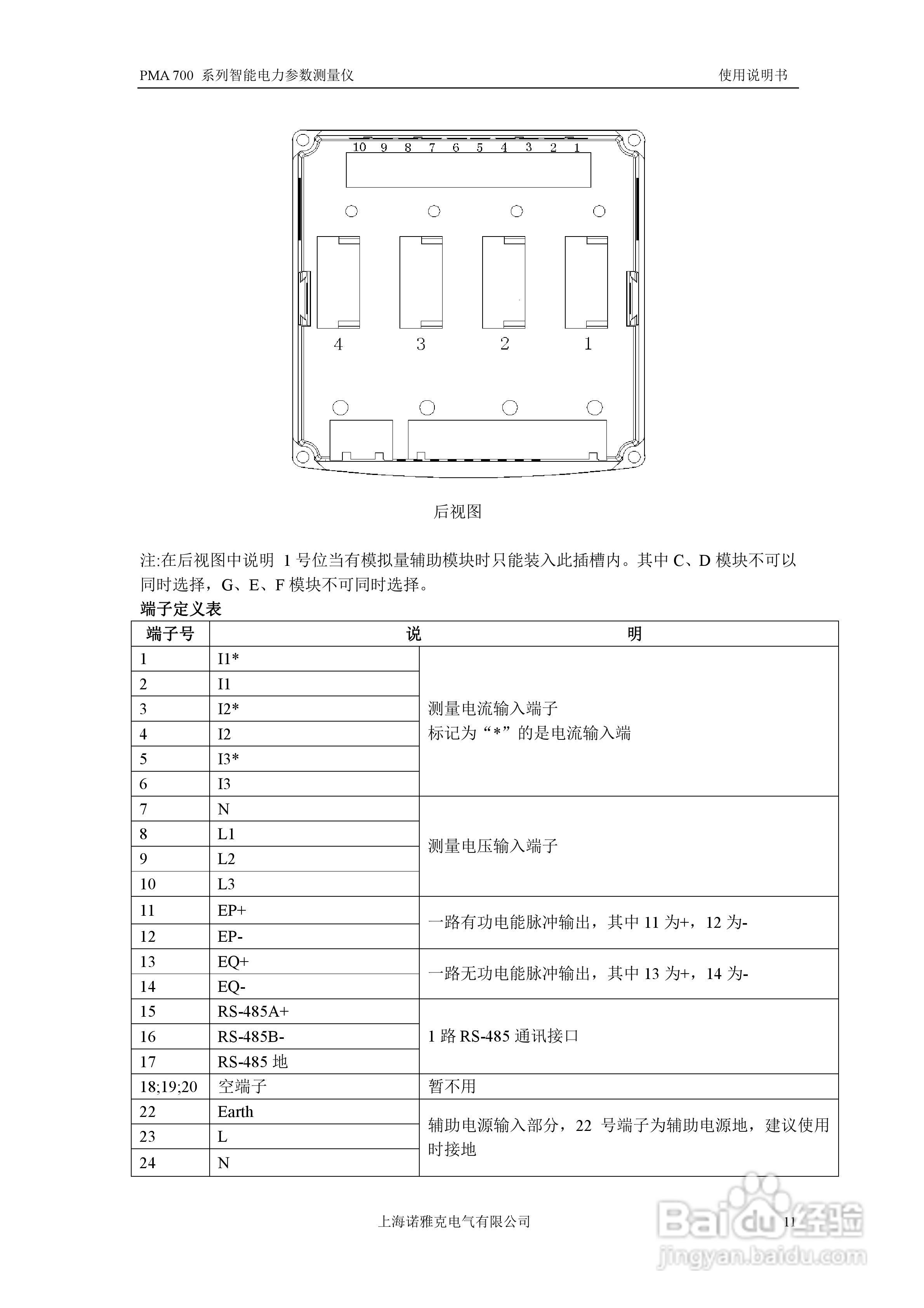
PMA 700智能电力参数测量仪使用说明书:[2]
时间:2026-04-22 10:20:10
本篇为《PMA 700智能电力参数测量仪使用说明书》,主要介绍该产品的使用方法以及常见故障解决方案。
(共篇)
上一篇:
|
下一篇:
PMA 700智能电力参数测量仪使用说明书:[7]
PMA 700智能电力参数测量仪使用说明书:[11]
使用说明书wf2651使用指南
使用说明书封面怎么做
天龙PMA-390Ⅲ功放无声的检修
为你推荐:
什么东西人们都不喜欢吃
firstname什么意思
信用卡知识
什么是倾销
大学生运动会通讯稿
预录取什么意思
替硝唑的作用
什么是高职院校
myself什么意思
有没有什么好看的小说
© 2026 五度知识库
信息来自网络 所有数据仅供参考
有疑问请联系站长 site.kefu@gmail.com