PMA 700智能电力参数测量仪使用说明书:[3]

时间:2026-04-23 20:43:47

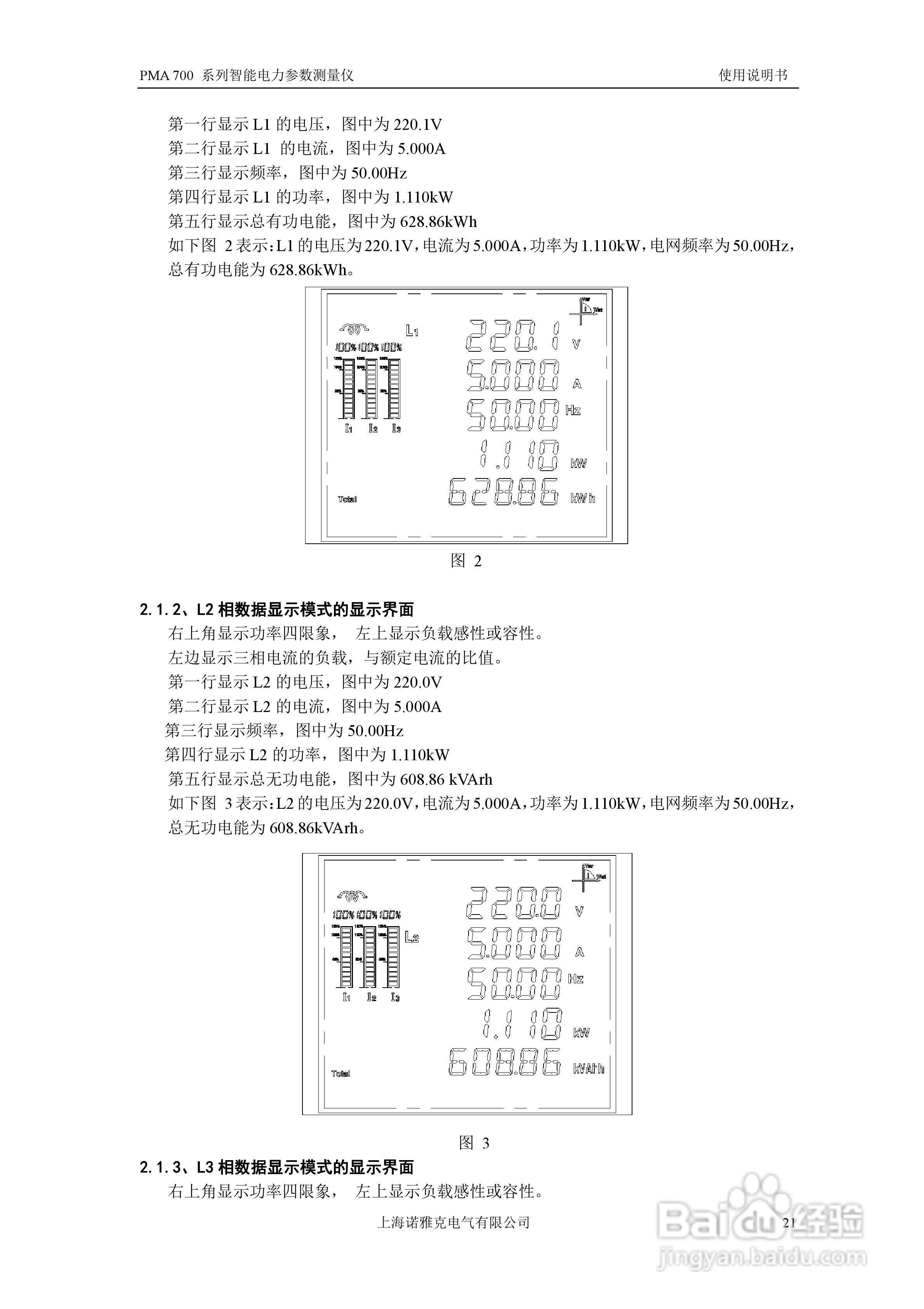
本篇为《PMA 700智能电力参数测量仪使用说明书》,主要介绍该产品的使用方法以及常见故障解决方案。


PMA 700智能电力参数测量仪使用说明书:[3]

PMA 700智能电力参数测量仪使用说明书:[3]

PMA 700智能电力参数测量仪使用说明书:[3]

PMA 700智能电力参数测量仪使用说明书:[3]

PMA 700智能电力参数测量仪使用说明书:[3]

PMA 700智能电力参数测量仪使用说明书:[3]

PMA 700智能电力参数测量仪使用说明书:[3]

PMA 700智能电力参数测量仪使用说明书:[3]

PMA 700智能电力参数测量仪使用说明书:[3]

PMA 700智能电力参数测量仪使用说明书:[3]

(共篇)上一篇:|下一篇:
© 2026 五度知识库
信息来自网络 所有数据仅供参考
有疑问请联系站长 site.kefu@gmail.com